코스모스컴퍼니
회사소개
인사말
오시는길
제품소개
Linear Guideway
스텐레스LM가이드
Single Axis Robot
Ballscrews
Bearing
Multi Axis Robot
하모닉드라이브(HIWIN)
하모닉드라이브(국내산)
볼스크류 재고운영품
TM Screw
타이밍풀리
타이밍벨트
자료실
온라인문의
고객센터
공지사항
기술지원
제품소개
Linear Guideway
스텐레스LM가이드
Single Axis Robot
Ballscrews
Bearing
Multi Axis Robot
하모닉드라이브(HIWIN)
하모닉드라이브(국내산)
볼스크류 재고운영품
TM Screw
타이밍풀리
타이밍벨트
볼스크류 재고운영품
HOME
>
볼스크류 재고운영품
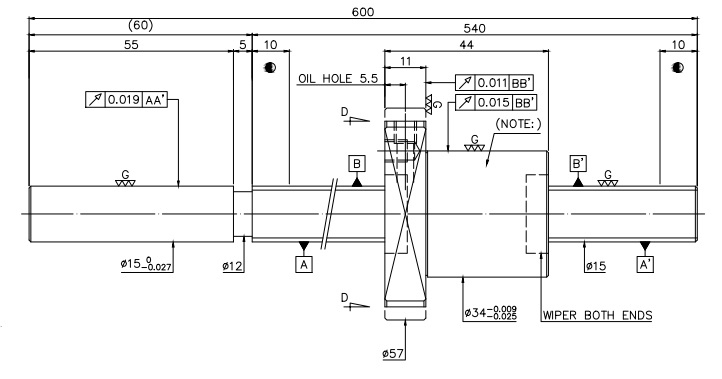
R15-10K3-FSC-540-600
작성자 :
코스모스컴…
Date :
2020-01-28 12:07 | Hit : 2,309
R15-10K3-FSC-540-600
연삭 C5 급 상시 재고품
- 호칭형번 : R15-10K3-FSC-540-600-0.018
- 스크류 외경 : 15mm
- 리드 : 10mm
- 동정격 하중 : 960kgf
- 정정격 하중 : 1930kgf
- BACK LASH : 0
- STROKE : 문의
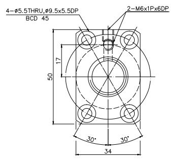
도면
플랜지